Bobcat Service Manual
ремонт, электросхемы, техническое обслуживание
и инструкции оператора БОБКЭТ

Bobcat manual - это сборник документации на всю технику Бобкэт
выпущенных до 2013 года.
Bobcat Service - это сборник котоый включает в себя полную документацию по ремонту техники БОБКЭТ включая и электрические схемы, а так же схемы гидравлики, руководства сервисного обслуживания, инструкции оператора.
Bobcat manual - вся информация представлена в PDF книгах.
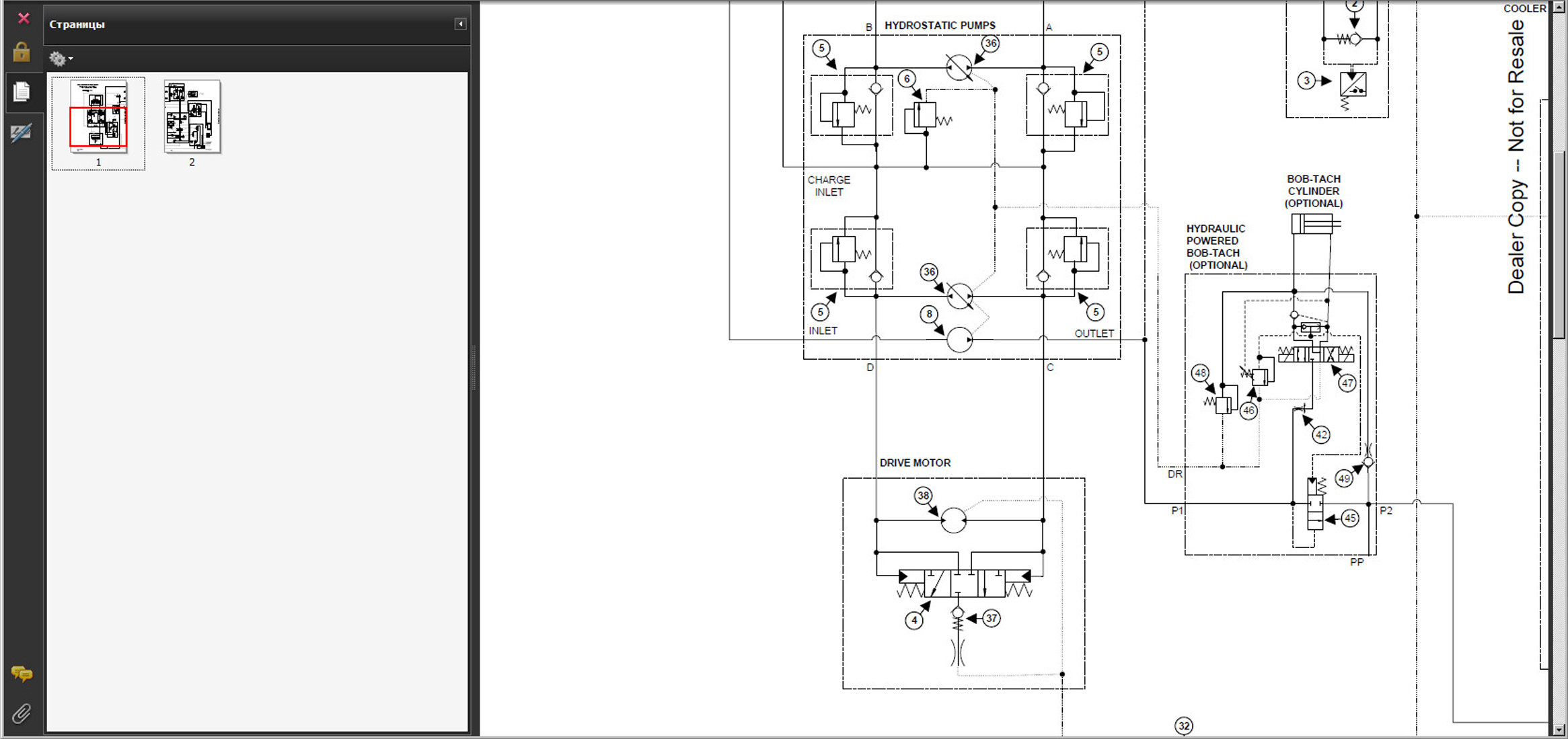
Каталог Bobcat MANUAL есть иллюстрации сложных технических процедур ремонта или тех процедур,
которые не могут быть продемонстрированы обычным способом.
Bobcat MANUAL - обеспечивает сокращение времени ремонта техники БОБКЭТ
и являются ценным способом для получения новых знаний и навыков для специалистов в различных областях технического обслуживания спецтехники БОБКЭТ.
Bobcat MANUAL - данном сборнике представлены следующие модели;
56-76 sms
100 sms
116 sms
130 sms
220 sms
225 sms
231 sms
310-313 sms
316 sms
319 sms
320 322 sms
323 sms
324 sms
325 328 sms
329 sms
331 334 sms
335 sms
337 341 sms
371 sms
418 sms
425 428 sms
430 sms
435 sms
440-443-443b sms
440b sms
442 sms
444-500-600 sms
450 453 sms
463 sms
530-533 sms
540 543 sms
542b sms
553 sms
610-611 sms
620 sms
630-631-632 sms
641-642-643 sms
642b sms
653 sms
700-720-721-722 sms
730-731-732 sms
741-742-743-743ds sms
742b-743b sms
751 sms
753 sms
763 sms
773 sms
825 sms
843 sms
853 sms
863 sms
864 sms
873 883 sms
943 sms
953 sms
963 sms
970 sms
974-975 sms
980 sms
1213 sms
1600 sms
2000 sms
2100 sms
2200 2300 sms
2400 sms
2410 sms
3200 sms
3400 sms |
3450 sms
5600 sms
5610 sms
7753 sms
a220 sms
a300 sms
a770 sms
angle broom sms
auger sms
backhoe sms
box blade sms
breaker sms
brushcat sms
brushsaw sms
chipper sms
combo bucket sms
concrete mixer sms
concrete pump sms
ct120 sms
ct122 sms
ct225 ct230 ct235 sms
ct335 sms
ct440 ct445 ct450 sms
cutter crusher sms
dozer sms
drop hammer sms
e32 sms
e35 sms
e42 sms
e45 sms
e50 sms
e55 sms
e60 sms
e80 sms
flail cutter sms
forestry cutter sms
grader sms
grapple sms
hd box blade sms
landscape rake sms
mower sms
mt50 sms
mt52 mt55 sms
pallet fork hyd sms
planer sms
plate compactor sms
power rake sms
power tilt sms
s70 sms
s100 sms
s130 sms
s150 sms
s160 sms
s175 sl85 sms
s205 sms
s220 sms
s250 s300 sms
s330 sms
s630 sms
s650 sms
s750 sms
s770 sms
s850 sms
seeder sms
silt fence sms
snow blower sms
sod layer sms
soil conditioner sms
sprayer sms
stump grinder sms
sweeper sms
|
t110 sms
t140 sms
t180 sms
t190 sms
t200 sms
t250 sms
t300 sms
t320 sms
t630 sms
t650 sms
t750 sms
t770 sms
t370 sms
t2250 sms
t2556 t2566 sms
t3571 sms
t35100 t35120 sms
t40140 t40170 sms
three point attachments all sms
tiller sms
tilt tatch sms
tl360 sms
tl470 sms
tr35160-tr45190 -tr50210 -tr40250
tractor backhoe sms
tree spade sms
tree vibrator sms
trench compactor sms
trencher sms
v417 sms
v518 sms
v623 sms
v638 sms
v723 sms
v-blade sms
vibratory roller sms
wheel saw sms
zx75 zx125 sms
|
Пример работы с каталогом Bobcat Service Manual:
Язык: только английский
Установка: Windows XP,7, 8, 10
Дата обновления по; 12-2012 год
Объем данных - 20gb (7 DVD)
Стоимость каталога ремонт обслуживание и инструкции оператора Bobcat MANUAL 12-2012 ALL - 20000руб (комплект)
Стоимость каталога ремонт обслуживание и инструкции оператора Bobcat MANUAL 12-2012 - от 3000руб (одна только модель)
Bobcat Service Library - ремонт, электросхемы и техническое обслуживание и устранение неисправностей БОБКЭТ
Bobcat Service Analyzer - диагностическая программа для работы с диагностическим сканером БОБКЭТ
Узнайте подробности по телефону: 8 (926) 600-50-99.
Наш e-mail: catalog-good@yandex.ru

На главную. |