Электронные каталоги автозапчастей
и программы по диагностике, ремонту,
обслуживанию иномарок

8 (926) 600-50-99





Каталоги для СПЕЦТЕХНИКИ, трактора, погрузчики, экскаваторы и т.п
8 (926) 600-50-99

Linde Service Guide 06-2024
каталог запчастей и обслуживание
погрузчиков фирмы ЛИНДЕ

Linde каталог



Linde
- это каталог запчастей и сервистная документация для обслуживания автокаров-погрузчиков фирмы Линде.

В каталоге Линде (Linde) представлены погрузчики Linde - дизельные и газовые погрузчики, электропогрузчики, вилочные погрузчики Линде, фронтальные погрузчики, электрические штабелеры, тележки, ричтраки, автопогрузчики и другое складское оборудование фирмы Linde.

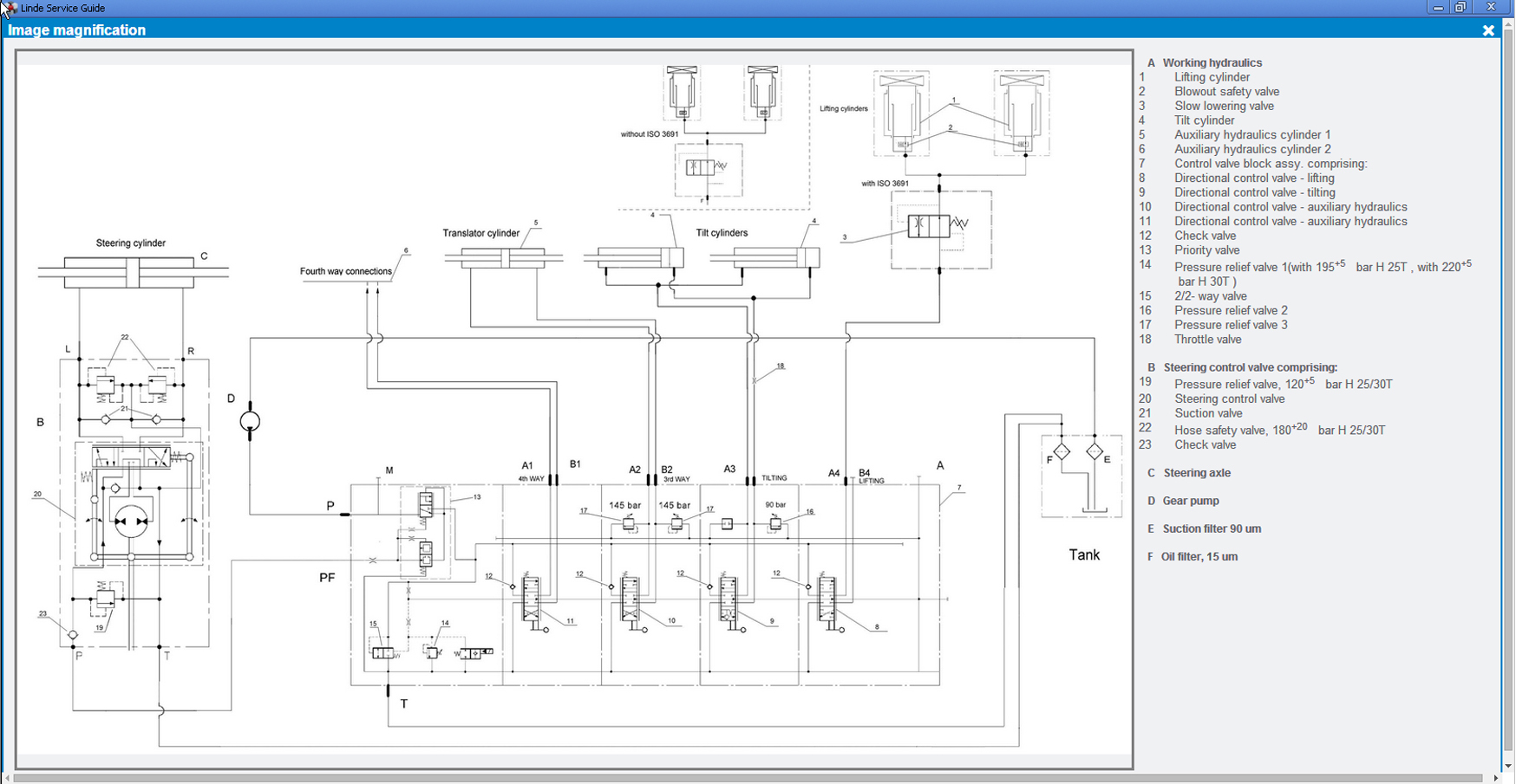
LINDE каталог содержит данные идентификации деталей, руководства по обслуживанию и ремонту, электрические схемы, гидравлические схемы, специальные компоненты и служебные бюллетени.





Интерфейс каталога Linde очень простой и удобный, есть поиск по модели, серийному номера,
так же доступны сервисные бюллетени.

Используя каталог LINDE результате, сервисные инженеры могут осуществлять процесс обслуживания быстро и эффективно. В каталоге LENDE одном приложении возможно производить идентификации запасных частей для доступа к инструкциям по обслуживанию, в каталоге LINDE есть доступ к специальным инструментам и технической документации.

Каталог Linde Service содержит информацию:

Group A: 005, 040, 5222
Group C: 313, 317, 318, 321, 356, 357, 1468
Group D: 1160
Group E: 322, 324, 325, 334, 335, 336, 337, 346, 386, 387, 388, 1275, 1276, 1279
Group FT: 8960
Group H: 319, 320, 321, 330, 331, 332, 350, 351, 352, 353, 354, 356, 358, 359, 391, 392, 393, 394, 396, 1220, 1313, 1401, 1402
Group HT: 1216, 1218, 1219, 1283, 1410, 1411
Group K: 007, 008, 009, 011, 013
Group L: 035, 131, 133, 139, 141, 144, 365, 372, 379, 1168, 1169, 1170, 1172, 1173, 4525, 4527, 4528
Group LT: 1196
Group M: 032
Group N: 132, 149, 1111
Group P: 126, 127, 131, 132, 141, 149, 368, 1189, 1190, 1191, 1193
Group R: 113, 115, 116, 1120, 1123, 8922, 8923
Group S: 316
Group T: 131, 140, 141, 144, 360, 362, 1101, 1130, 1133, 1151, 1152, 1158, 1301
Group V: 014, 015, 1110, 5212, 5213
Group W: 127, 1191, 1193
и многое др.



Пример работы с каталогом LINDE:


LINDE каталогLINDE каталогLINDE каталогLINDE каталог




LINDE каталогLINDE каталогLINDE каталогLINDE каталог




LINDE каталогLINDE каталогLINDE каталогLINDE каталогLINDE каталог



Дата обновления каталога LINDE updata 0290 по: 06-2024 год LINDE каталог

Разработчик: LINDE

Установка: Windows 7,10 (32-64 bit)

Язык LINDE каталога: Английский
Объем данных - 35gb

Стоимость каталога Linde LSG Service Guide 5.2.2 11-2021 updata 0213 - 12000 руб.
Стоимость каталога Linde LSG Service Guide 5.2.2 06-2024 updata 0290 - 15000 руб.


Linde Pathfinder — диагностическое программное обеспечение для складского оборудования Linde, вилочных погрузчиков Linde
STILL Steds Forklifts - каталог запчастей, ремонту и диагностическое программное обеспечение STILL
JETI ET (Jungheinrich) - Каталог запчастей погрузчиков и складской техники Юнгхайнрих
Jungheinrich JETI SH v4.36 service manuals - руководство по обслуживанию и ремонту техники Юнгхайнрих



Список моделей представленный в каталоге Linde Service;

Linde Forklift A 005-01 A13 A15
Linde Forklift A 040-01 A10
Linde Forklift A 5222-01 A
Linde Forklift A 5224-01 A
Linde Forklift C 313-01 C80 3 C80 4 C80 5 C80 6
Linde Forklift C 317-01 C80 3 C80 4 C80 5 C80 6
Linde Forklift C 318-01 C90
Linde Forklift C 356-10 C400
Linde Forklift C 357-01 C4130
Linde Forklift C 357-02 C4026 C4030 C4230 C4234 C4531 C4535
Linde Forklift C 357-03 C4026 C4030 C4230 C4234 C4531 C4535
Linde Forklift C 357-05 C4026 C4030 C4034 C4127 C4131 C4230 C4234 C4238 C4531

C4535 C4536 C4540 C4545
Linde Forklift C 1468-01 C4026CH C4535CH C4230TL C4540TL
Linde Forklift D 133-01 D12 D12HP D14
Linde Forklift D 133-01 D12 D14
Linde Forklift D 1160-01 D06 D08
Linde Forklift D 1163-01 D10 D10 AP D10 AP-B
Linde Forklift D 1163-01 D10 D10 AP D10 AP-B D10FP
Linde Forklift D 1164-01 D12S D12SF
Linde Forklift D 1164-01 D12R
Linde Forklift D 1164-01 D12RW
Linde Forklift D 1164-01 D12R D12RW D12S D12SF
Linde Forklift D 1173-01 D12 D12AP D12 D14AP
Linde Forklift E 322-01 E16 E16P E16PZ
Linde Forklift E 322-02 E15 E16 E18
Linde Forklift E 323-01 E10 E12 E15
Linde Forklift E 324-01 E12 E14 E15 E16
Linde Forklift E 324-02 E12 E15 E16
Linde Forklift E 325-01 E20 E25 E30
Linde Forklift E 334-01 E10
Linde Forklift E 335-01 E14 E16 E16C E18C E18P E20P
Linde Forklift E 335-02 E14 E16 E16C E18C E18P E20P
Linde Forklift E 335-03 E16C E16P E20P
Linde Forklift E 336-01 E20 E25 E30
Linde Forklift E 336-02 E20 E25 E30
Linde Forklift E 336-03 E25S E30S
Linde Forklift E 337-01 E35P E40P E48P
Linde Forklift E 337-02 E35P E40P E48P
Linde Forklift E 346-01 E18 E20 E20P
Linde Forklift E 386-01 E12 E14 E15 E16 E18 E20
Linde Forklift E 386-01 E14 EX 3GD E16 E3GD E18EX 3GD E20 EX 3GD
Linde Forklift E 386-01 E14 E E16 EX E18 EX E20 EX
Linde Forklift E 386-01 E14 EX GSS E16 EX GSS E18 EX GSS E20 EX GSS
Linde Forklift E 386-02 E12 E14 E15 E16 E18 E20
Linde Forklift E 386-02 E14 EX 2G E16 EX 2G E18 EX 2G E20 EX 2G
Linde Forklift E 386-02 E14 EX 3GD E16 EX 3GD E18 EX 3GD E20 EX 3GD
Linde Forklift E 386-02 E14 EX GSS E16 EX GSS E18 EX GSS E20 EX GSS
Linde Forklift E 387-01 E20 E20R E25 E25R E30 E30R E35 E35R
Linde Forklift E 387-01 E25 EX E30 EX E35 EX
Linde Forklift E 388-01 E35 E40 E45 E50
Linde Forklift E 388-01 E35 EX 3GD E40 EX3GD E45 EX 3GD E50 EX3 3GD
Linde Forklift E 1252-01 E20 600H E25 600H E25 600HL E25L E30 E30 600H E30 600HL

E30L E35HL E35L
Linde Forklift E 1275-01 E16C E16CH E16P E16PH E20PH
Linde Forklift E 1276-01 E25 E25S E25SH E30S E30SH E35SH
Linde Forklift E 1279-01 E60 E70 E80
Linde Forklift E 1284-01 E15B E18B E20B E25B
Linde Forklift E 1285-01 E20SL E25SL
Linde Forklift E 1286-01 E30SL E35SL
Linde Forklift E 1287-01 E40 E40B E45 E45B E50 E50B
Linde Forklift E 1293-01 E20 E25
Linde Forklift E 1294-01 E30 E35
Linde Forklift E 1346-01 E18S E20S
Linde Forklift E 1347-01 E25C E27C E27CL E30C E30CL E32CL
Linde Forklift E 8917-01 E10
Linde Forklift FT 8960-01 FT08 FT10 FT16 FT20
Linde Forklift FT 8961-01 FT08C FT10C FT16C FT20C
Linde Forklift H 319-01 H100 H120 H36 H150
Linde Forklift H 320-01 H50 H60 H70 H80
Linde Forklift H 330-01 H12D H12T H15D H15T
Linde Forklift H 331-01 H20D H20T H25D H25T H30D H30T
Linde Forklift H 332-01 H35D H35T H40D H40T
Linde Forklift H 350-01 H12D H12T H16D H16T H18D H18T
Linde Forklift H 350-02 H12D H12T H16D H16T H18D H18T
Linde Forklift H 350-03 H12D H12T H16D H16T H18D H18T H20D H20T
Linde Forklift H 350-03 H18D H18T H20D H20T
Linde Forklift H 350-04 H12D H12T H16D H16T H18D H18T H20D H20T
Linde Forklift H 351-01 H20D H20T H25D H25T H30D H30T
Linde Forklift H 351-02 H20D H20T H25D H25T H30D H30T
Linde Forklift H 351-02 H20D EX H25D EX H30D EX
Linde Forklift H 351-03 H20D H20T H25D H25T H30D H30T H35D H35T
Linde Forklift H 351-04 H25D H25T H30D H30T
Linde Forklift H 351-05 H25D H25T H30D
Linde Forklift H 351-05 H20D EX H25D EX H30D EX
Linde Forklift H 352-01 H35D H35T H40D H40T H45D H45T
Linde Forklift H 352-02 H35D H35T H40D H40T H45D H45T
Linde Forklift H 352-03 H35D H35T H40D H40T H45D H45T
Linde Forklift H 352-04 H30G H30T G H35D H35G H35T H35 T G H40D H40T H45D H45T
Linde Forklift H 352-05 H35D H40D H45D H50D
Linde Forklift H 352-06 H40D H45D H50D
Linde Forklift H 353-01 H50D H50T H60D H60T H70D H70T H80D H80T
Linde Forklift H 353-02 H50D H50T H60D H60T H70D H70T H80D H80T
Linde Forklift H 353-03 H50D H50T H50V H60D H60T H60V H70D H70T H70V H80D

H80T
Linde Forklift H 353-03 H50D EX H60D EX H70D EX H80D EX
Linde Forklift H 359-01 H100D H120D H140D H150D H160D H180D
Linde Forklift H 391-01 H14D H14T H16CNG H16D H16T H18 CNG H18D H18T H20CNG

H20D H20T
Linde Forklift H 391-02 H14D-02 H14T-02 H16CNG-02 H16D-02 H16T-02 H18CNG-02

H18D-02 H20CNG-02 H20D-02 H20T-02
Linde Forklift H 392-01 H20D H20T H25D H25T
Linde Forklift H 392-02 H20D H20T H25D H25T
Linde Forklift H 393-01 H25D H25T H30D H30T H35D H35T
Linde Forklift H 393-02 H25D H25T H30D H30T H35D H35T
Linde Forklift H 394-01 H40D H40T H40V H45D H45T H45V H50D H50T H50V
Linde Forklift H 394-02 H40D H40T H45D H45T H50D H50T
Linde Forklift H 396-01 H50D H50T H60D H560T H70D H70T H80D H80T
Linde Forklift H 396-01 H50D EX H60D EX
Linde Forklift H 396-02 H50D H50T H60D H60T H70D H80D H80T
Linde Forklift H 396-03 H50D H50T H60D H60T H70D H80D H80T
Linde Forklift H 1202-01 H20 H20 600D H20 600T H25 600D H25 600T H25D H25T H30D

H35 H35D 35T
Linde Forklift H 1204-01 H35D H35T H40D H40T H45T H50D H50T
Linde Forklift H 1220-01 H25D H25T H30D H30T H35D H35T
Linde Forklift H 1313-01 H25CT H27CT H30CT H32CT
Linde Forklift H 1401-01 H100D H12D H140D H150D H160D H180D
Linde Forklift H 1402-01 H180 H200 H220 H250 H280 H300 H320
Linde Forklift HT 022-01 HT180 HT200 HT220 HT236 HT250
Linde Forklift HT 023-01 HT280 HT320 HT370 HT520
Linde Forklift HT 321-01 HT250 HT280 HT320 HT350 HT420
Linde Forklift HT 354-01 HT100D HT120D HT140D HT150D
Linde Forklift HT 356-01 HT360 HT400
Linde Forklift HT 356-01 HT420 HT460
Linde Forklift HT 358-01 HT120D HT140D HT160D
Linde Forklift HT 358-01 HT120 HT150 HT160 HT180
Linde Forklift HT 1216-01 HT16DS HT16TS HT18DS HT18TS HT20DS HT20TS
Linde Forklift HT 1218-01 HT25D HT30D
Linde Forklift HT 1219-01 HT25DS HT25T HT27T HT30DS HT30T HT32T HT35DS

HT35TS
Linde Forklift HT 1233-01 HT25D HT30D HT35D
Linde Forklift HT 1319-01 HT25CT HT27CT HT30CT HT32CT
Linde Forklift HT 1418-01 HT100D HT80D
Linde Forklift HT 1411-01 HT100 HT120 HT140 HT150 HT160
Linde Forklift HT 1411-02 HT100 HT120 HT140 HT150 HT160
Linde Forklift HT 007-01 K10
Linde Forklift HT 008-01 H13
Linde Forklift HT 009-01 K15-4
Linde Forklift HT 010-01 K15-3
Linde Forklift HT 011-01 K GENERATION 1 + 2 K GENERATION 3 K GERNERATION 4
Linde Forklift HT 013-01 K13-3
Linde Forklift HT 5231-01 K K MATIC
Linde Forklift L 035-01 L10AC L12AC L16AC
Linde Forklift L 131-01 L14AS L14ASAP L14ASSP L16AS L16ASAP L16ASSP
Linde Forklift L 131-01 L14AS L14ASAP L14ASSP L16AS L16ASAP L16ASSP
Linde Forklift L 133-01 L-matic HP L12AP L12L L12LAP L12LHP L12LHPAP L12LHPSP

L12LSP L12SP L14AP L14L L14LAP L14LSP L14SP
Linde Forklift L 133-01 L-matic HP L12AP L12L L12LAP L12LHP L12LHPAP L12LHPSP

L12LSP L12SP L14AP L14L L14LAP L14LSP L14SP
Linde Forklift L 133-01 L14AS L16AS
Linde Forklift L 133-01 L12 EX AP L12 EX L L12 EX L AP L12 EX L SP L12 EX SP L14 EX

AP L14 EX L L14 EX L AP L14 EX L SP L14 EX SP
Linde Forklift L 139-01 L12R L16R
Linde Forklift L 141-01 L12L L12LP L16AS
Linde Forklift L 144-01 L12LS
Linde Forklift L 365-01 L14 L14AP L16 L16AP
Linde Forklift L 365-01 L14 EX L16EX
Linde Forklift L 372-00 L14 L16
Linde Forklift L 372-01 L14 L14AP L16 L16AP
Linde Forklift L 372-02 L14 L14AP L16 L16AP
Linde Forklift L 372-03 L14 L14AP L16 L16AP L28AP
Linde Forklift L 372-03 L14 EX GSS L16 EX GSS
Linde Forklift L 379-01 L10 L12
Linde Forklift L 1168-01 L14 L14AP L16 L16AP
Linde Forklift L 1169-01 L10 L12 L14AP L14C
Linde Forklift L 1169-02 L10P-02 L12P-12 L14P-02
Linde Forklift L 1170-01 L-MATIC AC L06AC L10AC L12AC L16AC
Linde Forklift L 1170-01 L10 EX AC L12 EX AC L16 EX AC
Linde Forklift L 1171-01 L06AC L10AC L12AC L16AC
Linde Forklift L 1171-01 L06AC EX3G L10AC EX3G L12AC EX3G L16AC EX3G
Linde Forklift L 1172-01 BW22 L10 L10AS L10B L12 L12AS L12L
Linde Forklift L 1172-01 L12 EX L12 I EX
Linde Forklift L 1172-01 L12 EX E2 L12 EX I E2
Linde Forklift L 1172-01 L03 EX
Linde Forklift L 1173-01 L-MATIC HD L14 L14AP L16 L16AP L20 L20AP
Linde Forklift L 1173-01 L-matic HD L14 L14AP L14AS L14ASAP L16 L16AP L16AS

L16ASAP L20 L20AP
Linde Forklift L 1173-01 L12 EX 3G L14 AP EX L14 EX L14 EX 3G L14i EX 3G L16 AP EX

L16 EX L16 EX 3G L16i EX 3G L20 AP EX L20 EX L20 EX 3G L20i EX 3G
Linde Forklift L 1174-01 L14R L16R
Linde Forklift L 1174-01 L14RW L16RW
Linde Forklift L 1174-01 L14R L14RW L16R L16RW
Linde Forklift L 1183-01 L14-01 L14AP-01 L16-01 L16AP-01 L20-01 L20AP-01
Linde Forklift L 4523-01 L20AP
Linde Forklift L 4525-01 L20 L20 EX
Linde Forklift L 4527-01 L20AS
Linde Forklift L 4528-01 L20I
Linde Forklift L 4535-01 L20API
Linde Forklift LT 1196-01 LT06 LT08 LT10 LT12 LT16 LT20
Linde Forklift LT 8950-01 LT06 LT08 LT10 LT12 LT16 LT20
Linde Forklift LT 8951-01 LT06 LT08 LT10 LT12 LT16 LT20
Linde Forklift LT 8952-01 LT08 LT12 LT16
Linde Forklift LT 8953-01 LT06 LT16 LT26
Linde Forklift LT 8970-01 LTC08
Linde Forklift LT 8970-01 LTC10-20
Linde Forklift M 032-01 M15 M25
Linde Forklift M 032-01 M20 EX M25 EX
Linde Forklift M 033-01 M10X M25
Linde Forklift M 1166-01 MR12AP MR15AP
Linde Forklift M 1166-02 MT12AP MT15AP
Linde Forklift M 8904-01 MP13
Linde Forklift M 8905-01 MV01
Linde Forklift M 8906-01 MV05
Linde Forklift M 8907-01 ML 14ASX
Linde Forklift M 8908-01 ML20AS
Linde Forklift ML 1165-01 ML16P
Linde Forklift ML 1167-01 ML10
Linde Forklift ML 1167-02 ML10 ML12 MM10 MM12 MM12i
Linde Forklift ML 1167-03 ML10 ML12 MM10 MM10i MM12
Linde Forklift ML 1167-04 ML15
Linde Forklift MT 1131-01 MT12
Linde Forklift MT 1131-02 MT15C
Linde Forklift MT 1131-03 MT15D
Linde Forklift MT 1133-01 MT15
Linde Forklift MT 1133-02 MT15
Linde Forklift MT 1133-03 MT15 MT16 MT20
Linde Forklift MT 8903-01 MT20
Linde Forklift N 132-01 N20 N20 B N20HP N24 N24 B N24HP
Linde Forklift N 132-01 N20L N20LI N20LoL
Linde Forklift N 132-01 N20 N20 B N20HP N20L N20LI N20LoL N24 N24 B N24HP
Linde Forklift N 149-01 N20 N20L N20LI N20LX N25
Linde Forklift N 149-01 N20V
Linde Forklift N 1115-01 N16Li N20 N20 B N20 SA N20 XL N20B SA N20D N20D HP

N20HP N20LoL N25 N25HP N25SA
Linde Forklift N 1159-01 N20
Linde Forklift N 4516-01 N20A
Linde Forklift N 4587-01 N20CB N25C N25CB
Linde Forklift N 4589-01 N20CD N20CLI
Linde Forklift N 4590-01 N20CL N20CLX
Linde Forklift P 126-01 P60Z
Linde Forklift P 126-01 P60Z EX
Linde Forklift P 127-01 P250
Linde Forklift P 127-02 P250
Linde Forklift P 131-01 P50
Linde Forklift P 132-01 P30
Linde Forklift P 141-01 P30 P50
Linde Forklift P 149-02 P20
Linde Forklift P 368-01 P50Z
Linde Forklift P 1103-01 ETR45
Linde Forklift P 1103-02 ETR50
Linde Forklift P 1189-01 P30C P50C
Linde Forklift P 1190-01 P-matic P30C P50C
Linde Forklift P 1190-01 P-matic P30C P50C
Linde Forklift P 1190-01 1190-01
Linde Forklift P 1191-01 P60 P80
Linde Forklift P 1191-01 P60 P80
Linde Forklift P 1193-01 P20
Linde Forklift P 4595-01 P40 P40 B P60
Linde Forklift P 8902-01 C-Matic
Linde Forklift P 8910-01 P50A P60A
Linde Forklift P 8911-01 P300A
Linde Forklift R 049-01 R25F
Linde Forklift R 113-01 R14 R16 R20
Linde Forklift R 113-02 R14 R16 R16N R20 R20N
Linde Forklift R 115-01 R10C R12C R14C R14HD R16HD R16N R20N
Linde Forklift R 115-02 R14 R14HD R16 R16HD R16N R20 R20N
Linde Forklift R 115-02 R14 EX R16 EX R20 EX
Linde Forklift R 115-02 R14 EX GSS R16 EX GSS R20 EX GSS
Linde Forklift R 115-03 R10C R12C R14C
Linde Forklift R 115-03 R14G R16G R20G
Linde Forklift R 115-03 R14 R16 R20
Linde Forklift R 115-11 R10C R12C R14C
Linde Forklift R 115-11 R10C R12C R14C
Linde Forklift R 115-12 R14 R14G R16 R16G R20 R20G
Linde Forklift R 115-12 R14 R16 R20
Linde Forklift R 116-01 R14X R16X R17X R17XHD
Linde Forklift R 116-02 R14X R16X R17X R17XHD
Linde Forklift R 116-03 R14X R16X R17X R17XHD
Linde Forklift R 376-01 R14
Linde Forklift R 1120-01 R-matic R10 R12 R14 R16 R20 R25
Linde Forklift R 1120-01 R14-R20 HD EX
Linde Forklift R 1123-01 R14SP R16SP R18SP
Linde Forklift R 1123-02 R14SP R16SP R18SP
Linde Forklift R 1124-01 R14B R16B R20B
Linde Forklift R 5195-01 R15SX R17SX R22SX RTX15PD RTX17 RTX17P RTX22P
Linde Forklift R 8922-01 R25F
Linde Forklift R 8923-01 R20F-R25F
Linde Forklift S 316-01 S30 S30T S30W S40 S40T S40W S50 S50T S50W S60 S60T S60W
Linde Forklift T 012-01 T30R
Linde Forklift T 012-02 T30R
Linde Forklift T 131-01 T20AP T20SP T20SP B T24AP T24SP
Linde Forklift T 131-01 T-matic T30
Linde Forklift T 131-01 T20 EX AP T20 EX SP T24 EX AP T24 EX SP
Linde Forklift T 131-01 T30 EX 2G
Linde Forklift T 131-01 T20 EX GSS AP T20 EX GSS SP T24 EX GSS AP T24 EX GSS SP

T30 EX GSS
Linde Forklift T 131-02 T20SP T20SP B T20SP ION T25SP T25SP B T25SP ION
Linde Forklift T 131-02 T20 T20AP T20SP T20SP ION T25 T25 AP T25SP T25SP ION
Linde Forklift T 140-01 T20R
Linde Forklift T 140-01 T20 EX
Linde Forklift T 140-01 T20 EX GSS
Linde Forklift T 141-01 T20 T20AP01 T20AP02 T20AP03 T20AP04 T30
Linde Forklift T 144-01 T20SF
Linde Forklift T 144-01 T20S
Linde Forklift T 360-01 T16 T18 T20
Linde Forklift T 360-01 T16L
Linde Forklift T 362-01 T20 EX T30 EX
Linde Forklift T 1101-01 EW27 EW36 EWR27 EWR36
Linde Forklift T 1101-02 EW30 EW40 EWR30 EWR40
Linde Forklift T 1102-01 ECR27 ECR36
Linde Forklift T 1102-02 ECR30 ECR40
Linde Forklift T 1130-01 CITI
Linde Forklift T 1133-04 T-MATRIX 15
Linde Forklift T 1151-01 T16 T16P T20 T20P
Linde Forklift T 1151-02 T16P T20P
Linde Forklift T 1152-01 T16 T18 T20
Linde Forklift T 1152-01 T16L
Linde Forklift T 1152-01 T16 T16L T18 T20
Linde Forklift T 1152-01 T16 EX T20 EX
Linde Forklift T 1152-01 T16L EX
Linde Forklift T 1153-01 T20 T25 T25 AP-B T30
Linde Forklift T 1153-01 T20 T20FP T25 T25 AP-B T25FP T30
Linde Forklift T 1153-01 T20AP Ex3G T25 Ex3G T25AP Ex3G T30 Ex3G
Linde Forklift T 1154-01 T14S T20S T20SF T20SR T25S T25SF T25SR
Linde Forklift T 1154-01 T20R T25R
Linde Forklift T 1154-01 T20RW T25RW
Linde Forklift T 1154-01 T14S T20R T20RW T20S T20SF T20SR T25R T25RW T25S

T25SF T25SR
Linde Forklift T 1155-01 T14 T16 T16L T16P T18 T20 T20P
Linde Forklift T 1157-01 T20APHP
Linde Forklift T 1158-01 T16P T20 T20P T20SP T30
Linde Forklift T 1158-05 T20AP05
Linde Forklift T 1158-20 T20APB
Linde Forklift T 1301-01 T33
Linde Forklift T 4558-01 T14
Linde Forklift T 5131-01 T33
Linde Forklift V 014-01 V10E V10L V10M
Linde Forklift V 015-01 V10E
Linde Forklift V 015-01 V11-04 V11AC V11N
Linde Forklift V 015-01 V12-04 V12AC V12N
Linde Forklift V 015-04 V11 V12
Linde Forklift V 149-01 N20VI
Linde Forklift V 1110-01 V08-01 V08-02
"Linde Forklift V 1110-01
N20C N20VI N20VLI V08-01 V08-02″
Linde Forklift V 1111-01 N20C N20VI N20VLI
Linde Forklift V 1111-01 N20VI N20VLI
Linde Forklift V 1355-01 V15
Linde Forklift V 4587-01 N20C
Linde Forklift V 4594-01 V08-01 V08-02
Linde Forklift V 5212-01 V10 V10-02
Linde Forklift V 5213-01 V
Linde Forklift V 5215-01 V15 V15HP V15P
Linde Forklift W 127-01 W20
Linde Forklift W 127-02 W20
Linde Forklift W 127-02 W20
Linde Forklift W 1191-01 W08
Linde Forklift W 1193-01 W04
Linde Forklift X 1252-01 X20 X25 X30 X35


Linde Pathfinder — диагностическое программное обеспечение для складского оборудования Linde, вилочных погрузчиков Linde
STILL Steds Forklifts - каталог запчастей, ремонту и диагностическое программное обеспечение STILL
JETI ET (Jungheinrich) - Каталог запчастей погрузчиков и складской техники Юнгхайнрих
Jungheinrich JETI SH v4.36 service manuals - руководство по обслуживанию и ремонту техники Юнгхайнрих


Узнайте подробности по телефону: 8 (926) 600-50-99.

Наш e-mail: catalog-good@yandex.ru

На главную.