каталоги автозапчастей
и программы по диагностике, ремонту,
обслуживанию иномарок

8 (926) 600-50-99




Каталоги для СПЕЦТЕХНИКИ, трактора, погрузчики, экскаваторы и т.п
8 (926) 600-50-99


Toyota Forklift service manual
руководство по ремонту и обслуживанию
вилочных погрузчиков Toyota



CASE Manuals



Toyota Forklift service manual
руководство по ремонту и обслуживанию TOYOTA, электрические схемы, гидравлические схемы, техническое обслуживание, а также содержит комплексную техническую документацию для обслуживания вилочных погрузчиков Toyota.


TOYOTA FORKLIFT
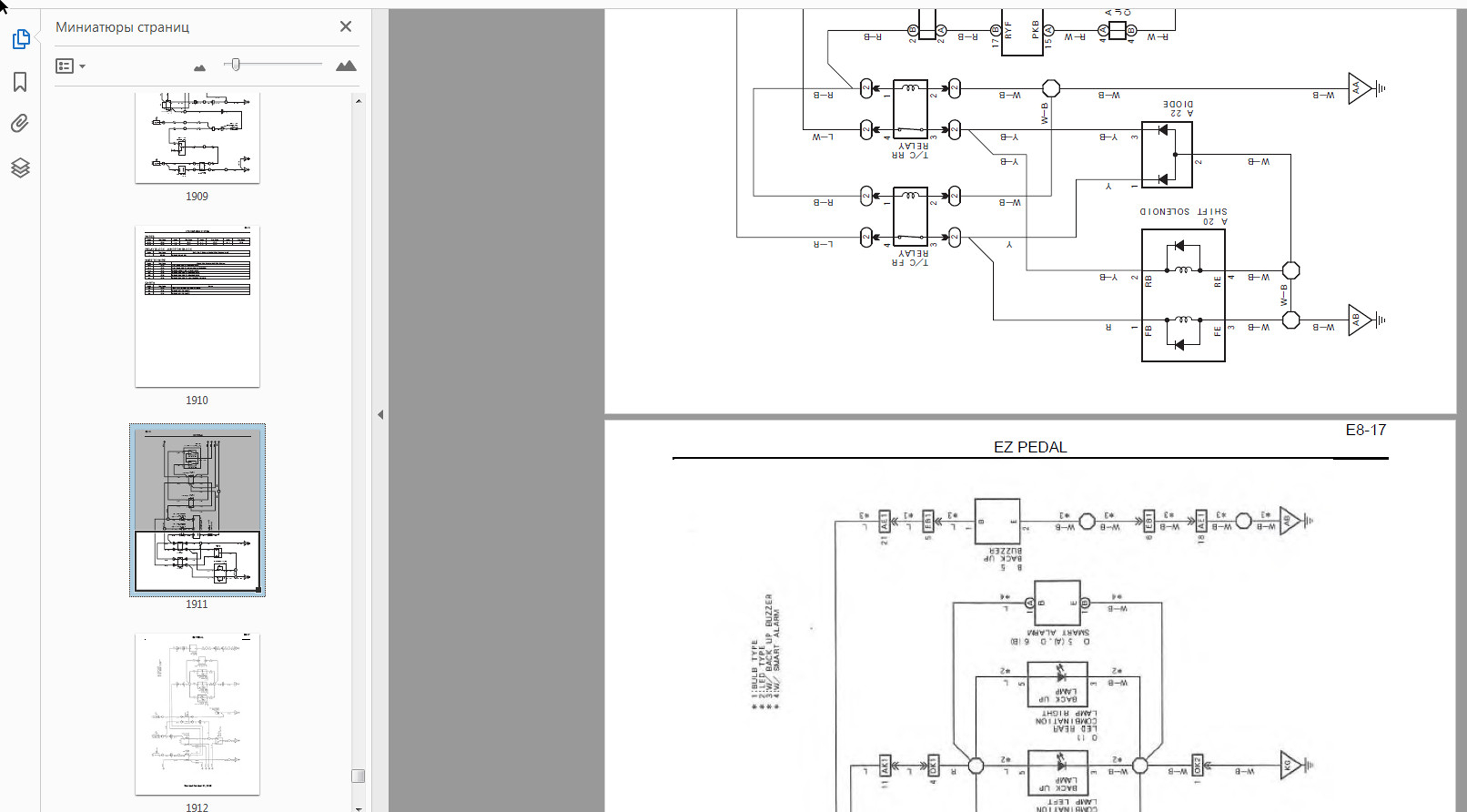
содержит пошаговые инструкции по ремонту, элементов топливной системы, систем запуска, электросхемы, схемы расположения компонентов электрооборудования, распиновка разъемов, гидравлические схемы, а также возможные неисправности и методы их устранения.





TOYOTA FORKLIFT
- данное руководство по обслуживанию содержит подробные иллюстрации, а также пошаговые инструкции для механика.
Руководство по ремонту содержит пошаговые инструкции, основанные на полной разборке техники TOYOTA.

TOYOTA FORKLIFT это именно этот уровень детализации, наряду с сотнями фотографий и иллюстраций, помогает пользователю пройти все процедуры обслуживания и ремонта TOYOTA.

TOYOTA FORKLIFT - Руководство поставляется в формате PDF, который может работать под любой операционной системой Windows.
Все страницы для печати. Использование данного руководства по ремонту является недорогим способом поддержания правильной работы вашей техники TOYOTA.

Вы также можете заказать каталог запчастей Toyota Industrial Equipment каталог запчастей вы получаете полный доступ, а именно, вы сможете искать запчасти по модели, и вы сможете решить почти любые проблемы с подбором запчастей и обслуживанием техники TOYOTA.


ЕСЛИ ВЫ НЕ УВИДИЛИ В СПИСКЕ НУЖНУЮ МОДЕЛЬ ТЕХНИКИ,
ДЕЛАЙТЕ ЗАПРОС на E-MAIL:
catalog-good@yandex.ru

Пример работы с Toyota Forklift service manual:

Toyota Forklift service manualToyota Forklift service manualToyota Forklift service manual


Toyota Forklift service manualToyota Forklift service manualToyota Forklift service manual






Toyota Forklift service manualToyota Forklift service manualToyota Forklift service manual





В данном сборнике Toyota Forklift service manual представлены следующии модели техники TOYOTA;

TOYOTA FORKLIFT 2TE15-18 Repair Manual CE660
TOYOTA FORKLIFT 2TG (D) 20-25 02-2TG (D) 20-25 42-2TD 20-25 Repair Manual
TOYOTA FORKLIFT 5FD50-80, 5FG50-60, REPAIR MANUAL
TOYOTA FORKLIFT 5FD50-80, 5FDM60-70, 5FG50-60 REPAIR MANUAL
TOYOTA FORKLIFT 5FGC-7 0-7 5 Series.
TOYOTA FORKLIFT 5FB10-30 ELECTRICAL SYSTEM Repair Manual
TOYOTA FORKLIFT 5FBC13-30 ELECTRICAL SYSTEM Repair Manual
TOYOTA BATTERY FORKLIFT 5FBCU15-30
TOYOTA FORKLIFT 5FBE10-20 Service Manual
TOYOTA FORKLIFT 4P Engine Service Repair Manual
TOYOTA FORKLIFT 5FG10-30, 5FD10-30 Inspection&Adjustment
TOYOTA FORKLIFT 5FG10-30, 5FD10-30 Service Manual
TOYOTA FORKLIFT 5FG10-30, 5FD10-30 Wiring Diagram
TOYOTA FORKLIFT 5FG33-35 5FD33-45 5FGE35 5FDE35 5FDA50 repair manual ce005-1
TOYOTA FORKLIFT 5FG/5FD33-45 series Repair Manual
TOYOTA FORKLIFT 5FGC/5FDC18-30 Repair Manual
TOYOTA ORDERPICKER Model 6BPU15 Serial:70001-79999
TOYOTA FORKLIFT 6FGCU 15-30-33-45 Repair Manual
TOYOTA FORKLIFT 6FGU/6FDU15-30-33-45 Repair Manual
TOYOTA FORKLIFT 6FG10,14,15,18,20,23,25,28,38 service manual
TOYOTA FORKLIFT 6FD10,14,15,18,20,23,25,28,33 service manual
TOYOTA FORKLIFT 6FGA15,18,20,25,30 service manual
TOYOTA FORKLIFT 6FDA15,18,20,25,30 service manual
TOYOTA FORKLIFT 6FDN20,25,30 service manual
TOYOTA FORKLIFT 6BNCU15, 6BNCU17, 6BNCU18, 6BNCU19, 6BNCU20, 6BNCU23, 6BNCU25, 6BNCU28, 6BNCU30, 6BVNCU13 Repair Manual
TOYOTA Electric Stand Up “E” Series 6BNCUE15-18 service manual
TOYOTA FORKLIFT 6BRU18, 6BRU23, 6BDRU15, 6BSU20, 6BSU25 service manual
TOYOTA FORKLIFT 6BWC10-15-20, 6BWS11-15-20, 6BWR15 service manual
TOYOTA FORKLIFT 6BWS10-13 Service Manual
TOYOTA FORKLIFT 6FG/6FD10- 30
TOYOTA FORKLIFT 6HBW20 4,000LB Powered Pallet Walkie Service Manual
TOYOTA Pallet Trucks 6HBW30, 6HBE30, 6HBE40, 6HBC30, 6HBC40, 6TB50 Service Manual
TOYOTA Pallet Trucks 6HBW23 4,500lb Powered Pallet Walkie Service Manual
TOYOTA Pallet Trucks 6HBW30, 6НВЕ30, 6НВЕ40, 6НВС30, 6НВС40, 6ТВ50 Service Manual
TOYOTA Pallet Trucks 6HBW30, 6HBE40, 6HBC40, 6HBE30, 6HBC30, 6TB50 Service Manual
TOYOTA FORKLIFT 7FBEU15, 18, 20
TOYOTA ELECTRIC FORKLIFT TRUCKS 7FВE10,13,15,18,20 Service Manual
TOYOTA FORKLIFT GM6-262 V6 4.3L Engine Service Manual
TOYOTA FORKLIFT 7FBE10-20 Service Manual
TOYOTA FORKLIFT 7FBEU15-20, 7FBEHU18
TOYOTA FORKLIFT 7FBR10,13,15,18
TOYOTA ELECTRIC POWERED FORKLIFT 7FB10 to 30 series and 7FBJ35 Service Manual
TOYOTA FORKLIFT 7FGCU15-18, 7FGCSU20
TOYOTA FORKLIFT 7FGU 7FDU15- 32 series and 7FGCU20-32 series Service Manual
TOYOTA FORKLIFT 7FGU 7FDU35 - 80 series and 7FGCU35 - 70 series Service Manual
TOYOTA FORKLIFT 7FGU/7FDU15- 32 series and 7FGCU20 - 32 series Service Manual
TOYOTA FORKLIFT 7FGU/17FDU35-80 series and 7FGCU35-70 series Service Manual
TOYOTA FORKLIFT 7BWS10-13, cl3ws-06 Service Manual
TOYOTA FORKLIFT 7FB10-35 Service Manual
TOYOTA INDUSTRIAL EQUIPMENT 7FGCU15-18, 7FGCSU20 Service Manual
TOYOTA FORKLIFT 7FGCSU20, 42-7FGF15, 42-7FGF18, 02-7FDF15, 02-7FDF18, 42-7FGF20, 42-7FGF25, 02-7FDF20, 02-7FDF25,
62-7FDF20, 62-7FDF25, 02-7FGF30, 02-7FGJF35, 02-7FDF30, 02-7FDJF35, 60-7FDF30, 62-7FDF30 Service Manual
TOYOTA FORKLIFT 7TB50, 7HBW20-30, 7HBW30 Electrical Schematic
TOYOTA INDUSTRIAL EQUIPMENT 7FGU/7FDU35-80, 7FGCU35-70 Service Manual
TOYOTA INDUSTRIAL EQUIPMENT 7FGU/7FDU35-80, 7FGCU35-70 Service Manual
TOYOTA INDUSTRIAL EQUIPMENT 7FGCU15-18, 7FGCSU20 Service Manual
TOYOTA FORKLIFT 8FG 10,15, 18, 20, 25, 30, 8FD 10,15,18, 20, 25, 30, 8FGK 20, 25, 30 8FGJ 35, 8FDK 20, 25, 30, 8FDJ 35 Service Manuall
TOYOTA FORKLIFT 7FGCU15,18, 7FGCSU20 Service Manual
TOYOTA FORKLIFT 7FG10,15,18, 20, 25, 30, 7FD10, 15, 18, 20, 25, 30, 7FGK20, 25, 30,
7FGJ 35, 7FDK20, 25, 30 7FDJ35 Service Manual
TOYOTA FORKLIFT 7FG35, 02-7FG35, 7FD35, 02-7FD35, 7FGK40, 02-7FGK40, 7FDK40, 02-7FDK40, 7FG40, 02-7FG40, 7FD40, 02-
7FD40, 7FG45, 02-7FG45, 7FD45, 02-7FD45, 02-7FGA50, 02-7FDA50 Service Manual
TOYOTA INDUSTRIAL EQUIPMENT 7FGU/7FDU15-32, 7FGCU20-32 Service Manual
TOYOTA FORKLIFT 7FGCU15, 18, 7FGCSU20 Service Manual
Toyota 7BNCU15, 18, 20, 25 Wire Diagram-020
TOYOTA 7BNCU15, 18, 20, 25 PARTS CATALOG Serial Number 50001 and Up
TOYOTA 7BNCU15, 7BNCU18, 7BNCU20, 7BNCU25 Serial No. 50001 and up
TOYOTA INDUSTRIAL 7BPUE15 Service Manual 80001 and up
TOYOTA INDUSTRIAL 7BRU18, 7BRU23, 7BDRU15, 7BSU20, 7BSU25 Service Manual SN 21000 and up for 24 Volt, 32000 and up for 36 Volt
TOYOTA INDUSTRIAL 7FB(H) 10-35 Service Manual
TOYOTA INDUSTRIAL 7FBCU 15-55 Service Manual
TOYOTA INDUSTRIAL 7FBCU15-55, 7FBCHU25 VOLUMES 1&2, (30-)7FBCU15-32, 7FBEU15-20, 7BNCU15-25 Service Manual
TOYOTA INDUSTRIAL 7FBCU15-55 REPAIR MANUAL VOL1, VOL2 (No. CU321, CU322)
TOYOTA INDUSTRIAL 7FBE13, 7FBEF13-20 Service Manual
TOYOTA INDUSTRIAL 7FBE13, 7FBEF13-20 ELECTRIC FORKLIFT TRUCKS 7FВEF15, 16, 18, 20 Service Manual
TOYOTA INDUSTRIAL ELECTRIC FORKLIFT TRUCKS 7FВEF 15, 16, 18, 20 Service Manual
TOYOTA INDUSTRIAL 7FBEF15-20 Service Manual
TOYOTA FBESF 10-15 Service Manual
TOYOTA 7FBEST 10-15 Service Manual
TOYOTA ELECTRIC FORKLIFT TRUCKS 7FBMF 16, 18, 7FBMF 20, 25, 7FBMF 30, 35, 7FBMF 40, 45, 50 Service Manual
TOYOTA 7FBMF 16-50 Service Manual
TOYOTA INDUSTRIAL 7FBMF16-35, 7FBMF40-50 No. CE326-1 Service Manual
TOYOTA INDUSTRIAL 7FD35-50, 7FG35-50 Service Manual
TOYOTA INDUSTRIAL 7FD Service Manual
TOYOTA INDUSTRIAL 7FDF15-35, FGF15-35 Service Manual
TOYOTA INDUSTRIAL 7FDF Minispakar Service Manual
TOYOTA INDUSTRIAL 7FDF OPS Service Manual
TOYOTA INDUSTRIAL 7FDF15-35, 7FGF15-35 Service Manual
TOYOTA INDUSTRIAL 7FDU, 7FGU35-80, 7FGCU35-70 Service Manual
TOYOTA INDUSTRIAL 7HBW23 Parts catalog
Toyota Forklift (30-)7FBCU15-32, 7FBEU15-20, 7BNCU15-25, 8FBCU20-32 Service Manual CU346 Vol.1
Toyota Forklift (30-)7FBCU15-32, 7FBEU15-20, 7BNCU15-25, 8FBCU20-32 Service Manual CU347-1 Vol.2
Toyota Forklift 8FBCU 20, 25, 28, 30, 32, 8FBCHU 25 VOL.1 Service Manual
Toyota Forklift 8FBCU 20, 25, 28, 30, 32, 8FBCHU 25 VOL.2 Service Manual
Toyota Forklift Engine: 4Y-M, 4Y-E Service Manual
Toyota Forklift 8FG(D)U15-32, 8FGCU20-32, 8FGCU15, 18, SU20 Service Manual
Toyota Forklift 8FGCU15,18, SU20, 8FG(D)U15-32, 8FGCU20-32 Service Manual
Toyota Forklift 8FG(D)U15-32, 8FGCU20-32 Service Manual
Toyota Forklift PARTS CATALOG 8HBW30, 8HBE30, 8HBE40, 8HBC30, 8HBC40, 8TB50 SN36001 and Up
Toyota Forklift 8HBW30, 8HBE30, 8HBE40, 8HBC30, 8HBC40, 8TB50 Service Manual
Toyota Forklift 8FGCU15, 18, 8FGCSU 20 Service Manual
Toyota Forklif 8FDU15-32, 8FGU15-32, 8FGCU20-32 Service Manual
Toyota Forklif 8FG35N, 8FD35N, 8FG40N, 8FD40N, 8FG45N, 8FD45N, 8FG50N, 8FD50N, 8FD60N, 8FD70N, 8FD80N Service Manual
Toyota Forklif 8FG(D)U15-32, 8FGCU20-32 trucks Wire Diagram
Toyota Forklif 8FG U15, 18, 20, 25, 30, 32, 8FDU15, 18, 20, 25, 30, 32, 8FGCU15, 18, 20, 25, 30, 32, 8FGCSU20 Operator Manual
Toyota Forklif 8FG(D)U15-32, 08FGCU20-32 WIRING DIAGRAM
Toyota Forklif 02-8FGF15, 02-8FDF15, 02-8FGF18, 02-8FDF18, 02-8FGF20, 02-8FDF20, 52-8FDF20, 02-8FGF25, 02-8FDF25, 52-8FDF25,
02-8FGF30, 02-8FDF30, 52-8FDF30, 02-8FGKF20, 02-8FDKF20, 02-8FGJF35, 52-8FDJF35 Service Manual
Toyota Forklif 8FG(D)U15-32, 8FGCU20-32, 8FGCU15, 18, SU20 Service Manual
Toyota Forklif 8FG WIRING DIAGRAM
Toyota Forklif 8FGU 15, 18, 20, 25, 30, 32, 8FDU 15, 18, 20, 25, 30, 32, 8FGCU 20, 25, 30, 32 Service Manual
Toyota Forklif 8FG(D)U15-32, 8FGCU20-32, 8FGCU15,18, SU20 Service Manual
Toyota Forklif 8FG(D)U15-32, 8FGCU20-32, 8FGCU15,18, SU20 Service Manual
Toyota Forklif 8FGF 15, 18, 20, 25, 30, 8FDF 15, 18, 20, 25, 30, 8FGKF 20 8FDKF 20, 8FGJF 35 8FDJF 35, VOL.1 Service Manual
Toyota Forklif 8FGF 15, 18, 20, 25, 30, 8FDF 15, 18, 20, 25, 30, 8FGKF 20, 8FDKF 20, 8FGJF 35 8FDJF 35, VOL.2 Service Manual
TOYOTA INDUSTRIAL 02-8FGF15, 02-8FGF18, 02-8FDF15, 02-8FDF18, 02-8FGF20, 02-8FGF25, 02-8FDF20, 02-8FDF25,
52-8FDF20, 52-8FDF25, 02-8FGF30, 02-8FGJF35, 02-8FDF30, 52-8FDF30, 52-8FDJF35, 02-8FGKF20, 02-8FDKF20 Service Manual

TOYOTA BT RR M12, RR M14, RR M16, RRE120M, RRE140M,RRE160M Parts Catalog, Service Manual
Toyota Forklift 4P Engine Service Repair Manual

и многое др.


ЕСЛИ ВЫ НЕ УВИДИЛИ В СПИСКЕ НУЖНУЮ МОДЕЛЬ ТЕХНИКИ,
ДЕЛАЙТЕ ЗАПРОС на E-MAIL:
catalog-good@yandex.ru

Язык: Английский

Установка ALL; Формат PDF

Объем данных - 3gb PDF

Стоимость Toyota Forklift service manual ALL (КОМПЛЕКТ Toyota Forklift service manual) - 25000 руб.

Стоимость Toyota Forklift service manual (любая одна модель) - от 3000 руб.




 каталог запчастей BT ForkLifts
BT Forklift Truck Parts Catalog
- каталог запчастей BT ForkLifts TOYOTA

Toyota Industrial Equipment - каталог запчастей (Toyota Forklift) для вилочных погрузчиков TOYOTA

Jungheinrich JETI SH v4.36 service manuals - руководство по обслуживанию и ремонту техники Юнгхайнрих


Узнайте подробности по телефону: 8 (926) 600-50-99.

Наш e-mail: catalog-good@yandex.ru

.

На главную.