Электронные каталоги автозапчастей
и программы по диагностике, ремонту,
обслуживанию иномарок

8 (926) 600-50-99




Каталоги для СПЕЦТЕХНИКИ, трактора, погрузчики, экскаваторы и т.п
8 (926) 600-50-99

Doosan MANUAL
Руководство по ремонту
электосхемы и гидросхемы техники Doosan


Hyundai Heavy Industries (Hyundai Robex)




Doosan MANUAL
- Руководство по ремонту строительной техники DOOSAN, бульдозеры, экскаваторы гусенечные и колесные, колесные погрузчики, экскаватор-погрузчики, каталог содержит электогидросхемы техники DOOSAN


Doosan MANUAL документация представлена в виде PDF-файлов.
Список моделей DOOSAN представлен смотрите ниже. Для более полного представления о содержании Doosan MANUALS смотрите скриншоты..







Doosan MANUALS
является незаменимым инструментом для владельцев стоительной техники Doosan MANUALS.
Интерфейс формат PDF Doosan MANUALS очень простой и удобный c работой не возникает ни каких трудностей.

Doosan MANUALS поставляется путем скачивание с сервера, и поддерживает язык: только английский.


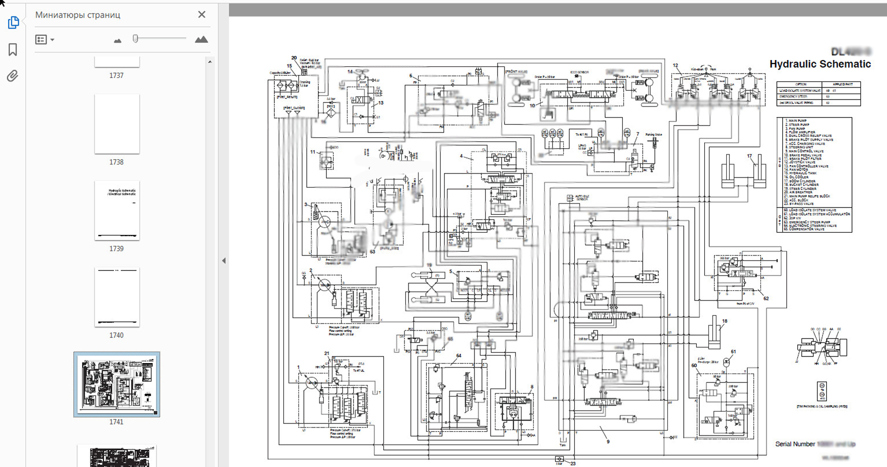
Пример работы с Doosan MANUAL Electrical Hydraulic Circuit


Doosan ManualsDoosan ManualsDoosan Manuals


Doosan ManualsDoosan ManualsDoosan Manuals



Doosan ManualsDoosan ManualsDoosan Manuals



Doosan ManualsDoosan ManualsDoosan Manuals




Doosan MANUAL Electrical Hydraulic Circuit представлена следующая техника:


Doosan Electrical
Hydraulic Circuit :


DH 030
DH 050 (S/N 0001 thru 5600)
DH 050 (S/N 5601 thru 5999)
DH 050 (S/N 6001 and Up)
DH 130 (S/N 0483 and Up)
DH 130
DH 130W
DH 130-2
DH 170
DH180/DH 200
DH 200W
DH 220 (S/N 0001 thru 1779)
DH 220 (S/N 1780 and Up)
DH 280
DH 320
DH 450

DX01S
0X018
0X027Z
OX030Z
DX035Z
DX056
DX060R
DX080R
DX140LC
DX140W/DX160W
DX180LC
DX190W
DX210W(4-INDI)
DX210W (Mono and Articulated)
DX22SLC (S/N 5001 thru 5433)
DX22SLC (S/N 5434 and Up)
DX225NLC
DX255LC
DX300LC
DX300LL
DX340LC
DX420LC
DX480LC/DX520LC
DX055W
DX060R
DX080R
DX140LC
DX140W/DX160W
DX180LC
DX190W
DX210W (4-INDI)
DX210W (Mono and Articulated)
DX225LC (S/N 5001 thru 5433)
DX225LC (S/N 5434 and Up)
DX225NLC
DX255LC
DX300LC
DX300LL
DX340LC
DX420LC
DX480LC/DX520LC
DX015/DX016
DX027Z/DX0302
DX03SZ
DX0S6
DX055W
0X055W (Yanmar TNV Engine)
DX060R
0X060R (Yanmar TNV Engine)




WHEEL LOADER SAFETY Manual

M160& 160TC DOOSAN
M200 DOOSAN
M200-3 DOOSAN
M200-V DOOSAN
М250-3 ZFl DOOSAN
M250-3 ZF2 DOOSAN
M250-V OUDERTYPE DOOSAN
M250-V DOOSAN
M300 DOOSAN
M300-3 DOOSAN
M300-V DOOSAN
M400 & ENGINE DOOSAN
M400-3P DOOSAN
M400-V FL DOOSAN
M400-V DOOSAN
M500-V DOOSAN
SD200 DOOSAN
SD300 DOOSAN




Doosan Electrical
Hydraulic Circuit :
 

DL160
DL200 (S/N 5001 and Up)
DL200 TONY (S/N 5001 and Up)
DL250 (S/N 5001 and Up)
DL250 (S/N 5001 and Up)
DL300 (S/N 5001 and Up)
DL400 (S/N 5001 and Up)
DL450
DL500 (S/N 5001 and Up)

Mega 130
Mega 160 (Main) (S/N 0001 thru 1020)
Mega 160 (Option) (S/N 0001 thru 1020)
Mega 160 (Main) (S/N 1021 and Up)
Mega 160 (with Aux Steering) (S/N 1021 and Up)
Mega 200-III
Mega 200-V (Standard) (S/N 1001 thru 3000)
Mega 200-V (Opbon) (S/N 1001 thru 3000)
Mega 200-V (Option) (S/N 3001 and Up)
Mega250-III
Mega 250-V (Tier I) S/N 1001 thru 2000
Mega 250-V (Tier II) S/N 2001 thru 3000
Mega 250-V (Tier II) S/N 4001 and Up
Mega 250-V (w/EHPS Valve)
Mega 300-III
Mega 300-V (Tier I) (S/N 1001 thru 2000)
Mega 300-V (Tier II) (S/N 2001 and Up)
Mega 300-V (Пег II) (S/N 2001 and Up w/EHPS Varve)
Mega 400-III
Mega 400-III PLUS
Mega 400-V (S/N 1001 thru 3000)
Mega 400-V (S/N 3001 and Up)
Mega 500-V
Mega 500-V (Tier II)
Mega 250-V (Tier I) S/N 3001 thru 4000

====================================


Lift Trucks Vehicle Systems

G15S-2, G18S-2, G20SC-2, GC15S-2, GC18S-2, GC20SC-2, D15S-2, D18S-2, D20SC-2, B16X, B18X, B20X, B16X-5, B18X-5, B20X-5 (AC/SE), B13T-2, B15T-2, B18T-2, B20T-2, B13T-5, B15T-5, B18T-5 (AC/SE), B15S, B18S

=====================================
Wheel Loader Manual

DL160 DOOSAN
DL200 (К1024538Е) DOOSAN
DL200-3 DOOSAN
DL200-5 USA DOOSAN
DL220 DOOSAN
DL250 DOOSAN
D L250 (K1023773 E) DOOSAN
DL250-3 DOOSAN
DL250-5 USA DOOSAN
DL250A DOOSAN
DL300 DOOSAN
DL300-3 DOOSAN
DL300-5 DOOSAN
DL300A DOOSAN
DL350 DOOSAN
DL350-3 DOOSAN
DL350-5 DOOSAN
DL400 DOOSAN
DL400FL & DL420 DOOSAN
DL420 DOOSAN
DL420-3 DOOSAN
DL420-5 DOOSAN
DL420A DOOSAN
DL450 DOOSAN
DL450-3 DOOSAN
DL450-5 DOOSAN
DL500 DOOSAN
DL550-3 DOOSAN
DL550-5 DOOSAN
DL550A DOOSAN


Doosan Electrical
Hydraulic Circuit
:

Solar 070-Ш (with Dozer)
Solar 130LC-III
Solar 130W-III (S/N 0001 thru 1720) with DX22 Control Valve
Solar 130W-III (S/N 0001 thru 0097)
Solar 130W-III (0098 and Up)
Solar 170W-III
Solar 200W-IH (with Standard Boom) (S/N 0001 thru 0448)
Solar 200W-IH (with Standard Boom) (S/N 0449 and Up)
Solar 200W-III (with Articulated Boom) (S/N 0001 thru 0448)
Solar 200W-HI (with Articulated Boom) (S/N 0449 and Up)
Solar 220LC-III
Solar 220LC-III (S/N 0361 thru 1420)
Solar 220LC-III (S/N 1421 thru 1880)
Solar 220LC-IM (S/N 1881 and Up)
Solar 280LC-III (S/N 5001 thru 5070)
Solar 280LC-IM (S/N 5071 thru 5274)
Solar 280LC-III (S/N 5275 thru 5674)
Solar 280LC-III (S/N 5675 and Up)
Solar 330LC-III
Solar 400LC-III
Solar 450-III (S/N 0001- 0003)
Solar 450-III (S/N 0004- 0035)
Solar 450-III (S/N 0036 Up)
Solar 010
Solar 015
Solar 015 PLUS (S/N 1001 thru 1157. 2001 thru 2006S)
Solar 015 PLUS (S/N 20066 thru 30000)
Solar 015 PLUS / Solar 018-VT (S/N 30001 and Up)
Solar 030 / 035
Solar 030P1U5/036
Solar 055
Solar 055W-V PLUS
Solar 075-V (S/N 1001 thru 1153)
Solar 075-V (S/N 1154 thru 1645)
Solar 75-V (S/N 1646 and Up)
Solar 130LC-V
Solar 130W-V
Solar 140LC-V (S/N 1001 thru 1094)
Solar 140LC-V (S/N 1095 and Up)
Solar 140W-V/160W-V
Solar 170LC-V
Solar 170W-V
Solar 175LC-V
Solar 180W-V (S/N 1001 thru 1099)
Solar 180W-V (S/N 1100 and Up)
Solar 200W-V
Solar 210W-V (S/N 1001 thru 1409)
Solar 210W-V (S/N 1410 and Up)
Solar 220LC-V (S/N 1001 thru 2441)
Solar 220LC-V (S/N 2442 and Up)
Solar 220LL
Solar 225LC-V (S/N 1001 thru 1299)
Solar 225LC-V (S/N 1300 and Up)
Solar 226LL
Solar 22SNLC-V (S/N 1001 thru 1103)
Solar 22SNLC-V (S/N 1104 and Up)
Solar 250LC-V
Solar 2S5LC-V (S/N 1001 thru 1204)
Solar 2S5LC-V (S/N 1205 and Up)
Solar 290LC-V(S/N 1001 thru 2153)
Solar 290LC-V (&N 2154 and Up)
Solar 290U
Solar 300LC-V (S/N 1001 thru 2429)
Solar 300LC-V (S/N 2430 and Up)
Solar 300LL (S/N 1001 thru 1003)
Solar 300LL (S/N 1004 and Up)
Solar 330LC-V
Solar 340LC-V {S/N 1001 thru 1339)
Solar 340LC-V (S/N 1340 and Up)
Solar 400LC-V
Solar 420LC-V (S/N 1001 thru 1162)
Solar 420LC-V (S/N 1163 and Up)
Solar 450LC-V
Solar 470LC-V/500 LC-V (S/N 1001 thru 1304)
Solar 470LC-V/500 LC-V (S/N 1305 and Up)
_________________________________

Doosan B22x-5, B25x-5, B30x-5, B35x-5 , Lift Truck Service Repair Manual

Doosan D20s-5, D25s-5, D30s-5, D33s-5, D35c-5, G20e-5, G25e-5, G30e-5, Gc20e-5, Gc25e-5, Gc30e-5, Gc33e-5, G20p-5, G25p-5, G30p-5, G33p-5, G35c-5, Gc20p-5, Gc25p-5, Gc30p-5, Gc33p-5 Service manual

DOOSAN B15T-5, B16X-5, B18X-5, B20X-5, G15S-2, G18S-2, G20SC-2, GC15S-2, GC18S-2 Service manual


Если ВЫ не увидели в списке интересующей вас техники
делайте запрос на EMAIL
: catalog-good@yandex.ru

Язык: Английский

Установка; Windows XP.7.8.10

Объем данных -9gb

Стоимость Manuals Doosan Electrical Hydraulic Circuit ALL комплект - 35000 руб.

Стоимость Manuals Doosan Electrical Hydraulic Circuit только одна любая модель - от 3000 руб.

Doosan Diagnostic Tool DDT - диагностическое программное обеспечение Doosan


Doosan EPC
- каталог запчастей экскаваторов и фронтальных погрузчиков


Delphi Diesel EPC v5.0
Delphi Diesel EPC v5.0
- каталог запасных частей ТНВД DELPHI






Узнайте подробности по телефону: 8 (926) 600-50-99.

Наш e-mail: catalog-good@yandex.ru

.

На главную.