Электронные каталоги автозапчастей
и программы по диагностике, ремонту,
обслуживанию иномарок

8 (926) 600-50-99




Каталоги для СПЕЦТЕХНИКИ, трактора, погрузчики, экскаваторы и т.п
8 (926) 600-50-99


Mitsubishi FUSO CANTER (EURO 3-4)
Руководство по эксплуатации (для России)
модели FE, с двигателем 4М50Т5, 4М50Т7


mitsubishi fuso руководство по ремонту Mitsubishi Fuso  Service Manualmitsubishi fuso руководство по ремонту mitsubishi fuso руководство по ремонту


mitsubishi fuso руководство по ремонтуmitsubishi fuso руководство по ремонтуmitsubishi fuso руководство по ремонтуmitsubishi fuso руководство по ремонту



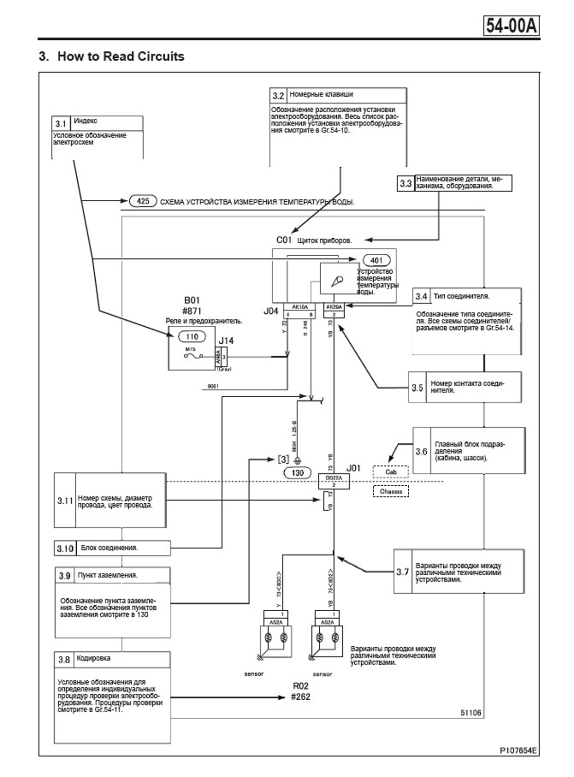
Руководство по ремонту Mitsubishi Fuso, обслуживание Mitsubishi FUSO FE с двигателем 4М50Т5, 4М50Т7 автомобили для России, диагностика, электрические схемы Мицубиши Фусо, расшифровка кодов ошибок.

Mitsubishi FUSO Engine 6M70 Service Repair Workshop Manual - информация ТОЛЬКО по ремонту и обслуживанию мотора 6M70

Электронное издание Mitsubishi Fuso Manual (Митсубиши Фусо Сервис Мануал) содержит подробные сведения по диагностике, ремонту и регулировке двигателя, элементов системы управления двигателем (впрыск топлива, зажигание, турбонаддув), систем запуска и зарядки, инструкции по использованию систем самодиагностики, расшифровка диагностических кодов неисправностей DTC (Daignostic Trouble Codes).

Каталоге FUSO MANUAL - приведены возможные неисправности и методы их устранения, сопрягаемые размеры основных деталей и пределы их допустимого износа, рекомендуемые смазочные материалы и рабочие жидкости.
Описаны конструктивные изменения, которым подвергались узлы и агрегаты двигателей в процессе производства.

Каталоге Mitsubishi Fuso ( имеет формат PDF ) по ремонту, техническому обслуживанию грузовиков Mitsubishi Fuso CANTER
FE серий предназначена для автовладельцев, персонала СТО и ремонтных мастерских.

В Mitsubishi Fuso каталоге руководстве по ремонту японских грузовиков с левым рулем Мицубиси Фусо
представлены грузовики Мицубиси Фусо следующих серий FE

mitsubishi fuso руководство по ремонтуmitsubishi fuso руководство по ремонтуmitsubishi fuso руководство по ремонтуmitsubishi fuso руководство по ремонту

mitsubishi fuso руководство по ремонтуmitsubishi fuso руководство по ремонтуmitsubishi fuso руководство по ремонту

Mitsubishi FUSO Engine 6M70 Service Repair Workshop Manual - информация ТОЛЬКО по ремонту и обслуживанию мотора 6M70


FUSO Engine 6M70FUSO Engine 6M70FUSO Engine 6M70

Список Mitsubishi manuals:

Mitsubishi Canter engine 4M40 Service Manual
Mitsubishi 6D1 series diesel engine Workshop Manual
Mitsubishi 6D22 Engine Service Manual
Mitsubishi 2010 Fuso FG Owner_s Manual
Mitsubishi Body equipment mounting directives for CANTER EURO V (FB-FE)
Mitsubishi Canter 4.5t Specifications
Mitsubishi Canter 4M5 Engine FE85DE6SLGP, FE85DG6SLGP, FE85DHZSLGP Shop Manual
Mitsubishi Canter engine 4M40 Service Manual
Mitsubishi Canter engine 4M41 Service Manual
Mitsubishi Canter Fuso 3cl5 Specifications
Mitsubishi Canter Specifications
Mitsubishi Diesel Engines Service Manual
Mitsubishi Engine 4m4 Service Manual
Mitsubishi Error Codes List Forklift Electric
Mitsubishi FB16N, FB18N, FB20CN Service Manual
Mitsubishi FD20CN, FD20N, FD25N, FD30N, FD35AN, FGE15N, FGE18N, FGE20CN, FGE20N, FGE20ZN Service Manual
Mitsubishi FG10N, FG15N, FG15ZN, FG18N, FG20CN, FG20N, FG20ZN, FG25N, FG25ZN, FG30N, FG35AN, FD10N, FD15N, FD18N Service Manual
Mitsubishi FGE25N, FGE25ZN, FGE30N, FGE35AN Service Manual
Mitsubishi Forklift Diesel Engine 4DQ5 Service Repair Manual
Mitsubishi Forklift Trucks 6M60-TL Diesel Engine Service Manual
Mitsubishi Forklift Trucks Diesel -1.5 - 3 (Spec)
Mitsubishi Forklift Trucks Fault Codes PDF
Mitsubishi Fuso 4M4 series diesel engine Service Manual
Mitsubishi Fuso 1996-2001 Service Manuals All Models (FE, FG, FH, FK, FMJ
Mitsubishi Fuso 2005 Service Manuals All Models (FE, FG, FK, FM)
Mitsubishi FUSO Bus Fault Codes List PDF
Mitsubishi Fuso Canter 2010-2013 Service Repair Manual.pdf
Mitsubishi Fuso Canter FB, FE, FG.pdf
Mitsubishi FUSO Diagnostics Operation Manual.pdf
Mitsubishi Fuso Engine 4D56,4M41 Service Repair Manual.pdf
Mitsubishi Fuso Engines.pdf
Mitsubishi FUSO FE 2012 Owner_s Manual
Mitsubishi FUSO FE 2012 Owner_s Manual
Mitsubishi Fuso FE Series 2006 Engine - inspection and adjustment of Valve Clearence
Mitsubishi Fuso FE, FG 2010 Owner_s Manual
Mitsubishi Fuso FG 2010 Owner_s Manual
Mitsubishi Fuso FH1996-2001 Service Manual
Mitsubishi Fuso FH 1997 Service Manual
MITSUBISHI FUSO FIGHTER 6M60 Engine Service Manual
Mitsubishi Fuso Fighter FK FM FN Brochure 2015
Mitsubishi Fuso Fighter FM 65 FL Specificatons
Mitsubishi Fuso FK 2008 Owner_s Manual
Mitsubishi Fuso FK 2008 Owner_s Manual
Mitsubishi Fuso FK 2008 Owner_s Manual
Mitsubishi Fuso FK, FM 2006 Owner_s Manual
Mitsubishi Fuso FK, FM 2006 Owner_s Manual
Mitsubishi Fuso FK, FM 2006 Owner_s Manual
Mitsubishi Fuso Transmission FE, FG Body Builder's Drawings And Supporting Data
Mitsubishi 24581 k3b, k3d, k3e Parts List каталог запчастей
Mitsubishi K3M Tractor Maintenance Manual
Mitsubishi K3M_K4M Tractor Maintenance Manual
Mitsubishi KE75 K2B K2C Diesel Engine
Mitsubishi L3A L3C L3E Diesel Engine
Mitsubishi L2A 11,12 , L2C , L2B 31, 32 , L3A , L3C 61, 62, L3E Engine Manual
Mitsubishi MT160-180 Instruction Book
Mitsubishi MT160-180 Repair Manual
Mitsubishi MT180HD Repair Manual
Mitsubishi MT2100 210 2500 250 Parts catalog chassis
Mitsubishi MT2100 210 2500 250 Parts catalog engine
Mitsubishi Outlander Service Manual 2003-2006
Mitsubishi Tractor bd2g, bs3g Operators Manual
Mitsubishi Tractor S3L, S3L2, S4L, S4L2 Diesel Engines Service Manual



ЕСЛИ ВЫ НЕ УВИДИЛИ В СПИСКЕ НУЖНУЮ МОДЕЛЬ ТЕХНИКИ,
ДЕЛАЙТЕ ЗАПРОС на E-MAIL
:catalog-good@yandex.ru



Язык: Русский, английский

Операционная система: Windows XP,7,8,10 (32-64bit)

Цена каталога Mitsubishi FUSO CANTER (EURO 3 или EURO 4) Руководство и эксплуатация - 10000 руб

Цена каталога Mitsubish Service Repair Workshop Manual - 3000 руб (любая 1 модель)


Диагностическая программа (БЕЗ ДИАГНОСТИЧЕСКОГО СКАНЕРА)
Fuso MUT-III 2011(RUSSIAN) (FMS-E11-3)



каталог  Fuso Canter Trucks
Mitsubishi FUSO Trucks - Каталог запчастей на все рынки Europe, General Export, USA, Mexico, Japan


Delphi Diesel EPC v5.0
Delphi Diesel EPC v5.0
- каталог запасных частей ТНВД DELPHI




Узнайте подробности по телефону: 8 (926) 600-50-99.

Наш e-mail: catalog-good@yandex.ru

.

На главную.