Электронные каталоги автозапчастей
и программы по диагностике, ремонту,
обслуживанию иномарок

8 (926) 600-50-99




Каталоги для СПЕЦТЕХНИКИ, трактора, погрузчики, экскаваторы и т.п
8 (926) 600-50-99


Terex Manual - Руководство по ремонту и эксплуатации
Fermec 820/860/880 SX & ELITE/970/980 ELITE
Terex TX760B/TX860B/TX970B/TX980B





Terex Manuals - содержит информацию по ремонту и техническому обслуживанию, включая схемы, наглядные изображения узлов, электронные модули. Terex Manuals используя базы данных позволяет осуществлять квалифицированный ремонт спецтехники TEREX.

Информация основана на поставляемых производителем оригинальных технических данных для техники
Fermec 820/860/880 SX & ELITE/970/980 ELITE
Terex TX760B/TX860B/TX970B/TX980B.




Смотрим ОГЛАВЛЕНИЕ TEREX BACKHOE LOADER WORKSHOP MANUAL 6111283M2 - English - January 2008:


Terex ManualsTerex ManualsTerex ManualsTerex Manuals




Terex ManualsTerex ManualsTerex ManualsTerex Manuals




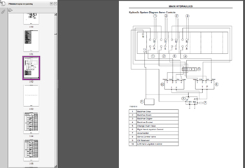
Пример работы с TEREX BACKHOE LOADER WORKSHOP MANUAL 6111283M2 - English - January 2008;



Terex ManualsTerex ManualsTerex Manuals




Terex ManualsTerex ManualsTerex Manuals




Terex Manuals




Электронное издание Terex Manual содержит подробные сведения по ремонту и регулировке двигателя, элементов системы управления двигателем, систем запуска.

Terex Manuals приведены возможные неисправности и методы их устранения, сопрягаемые размеры основных деталей и пределы их допустимого износа, рекомендуемые смазочные материалы и рабочие жидкости.

Terex Manual ( имеет формат PDF ) по ремонту, техническому обслуживанию техники Terex Manuals
предназначена для персонала СТО и ремонтных мастерских.


Язык: английский

Операционная система: Windows XP,7,8,10 (32-64bit)

Дата обновления до 01-2008 года

Каталог объем - 100mb


ЕСЛИ ВЫ НЕ УВИДИЛИ В СПИСКЕ НУЖНУЮ МОДЕЛЬ ТЕХНИКИ,
ДЕЛАЙТЕ ЗАПРОС на E-MAIL
:catalog-good@yandex.ru


Стоимость TEREX LOADER WORKSHOP MANUAL 6111283M2 - 10000 руб




Terex CedarapidsTerex CedarapidsTerex CedarapidsTerex Cedarapids

Terex Cedarapids Asphalt Paver Manual Service; 300-411-400-500 (АСФАЛЬТОУКЛАДЧИК)

Terex PT100 Track Loader Workshop Service Repair Manual

Terex Fermec 750, 760, 860, 865, 960, 965 Service Repair Manual - 4000руб

Terex Fermec 750, 760, 860, 865, 965 Parts catalog (каталог запчастей) - 5000руб

Fuchs Terex Service Manual Diagnostic 02-2016 - Руководство по техническому обслуживанию, диагностическая документация,
гидравлические и электрические схемы

Terex Demag Crane Manual - Руководство по ремонту и техническому обслуживанию, гидравлические и электрические схемы

Terex TX760B, TX860B, TX870B, TX970B, Fermec 820, 860, 880, 970, 980
- каталог запчастей

Terex Schaeff HR 1.5, 1.6, 2.0, 3.7, 11,12,13,14,16,18,20,22,31,32,42 - каталог запчастей

Terex Schaeff HML 22,23,31,32,42 - каталог запчастей

TEREX TW 70, TW 85, TW 110 - Каталог запчастей для колесных экскаваторов TEREX

Delphi Diesel EPC v5.0
- каталог запасных частей ТНВД DELPHI




Узнайте подробности по телефону: 8 (926) 600-50-99.

Наш e-mail: catalog-good@yandex.ru

.

На главную